jump to: Search / User Tools / Main Content / Change Content Width
lamaPLC
Jump to quick search
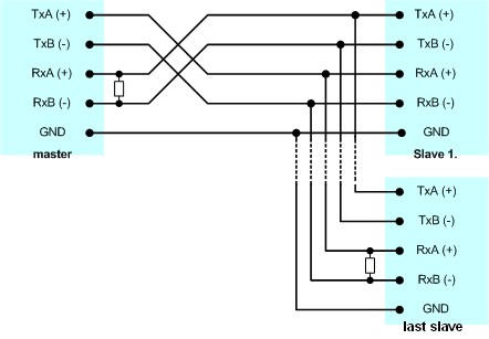
lamaPLC Start automation! Simatic Arduino Labview Communication Sensors Solutions Driver/Stepper Hardware HMI/SCADA 3D Printing Calculations Impressum Communication basic 1-Wire basics AS-i basics Bluetooth basics CAN basics ControlNet basics DALI basics DASH7 basics deviceNet basics DMX512 basics EtherNet/IP basics GPS basics I²C basics IE basics IEC 61850 basics Interbus IoT basics KNX / EIB basics LoRa / LoRaWan basics Matter basics Modbus basics MQTT basics NFC basics nRF24 basics OPC basics PowerLink basics ProfiBus basics ProfiNet basics RS-232 basics RS-422 basics RS-485 basics Sinec H1 basics SPI basics TCP / UDP basics Thread basics UART basics USB basics Wifi basics Wiegand basics WS2812 basics Z-Wave basics Zigbee basics 6LoWPAN ASCII HMI HTML ISM Band RFID basics SCADA XML Network protocols Modbus units/maps Modbus for Grundfos pumps Eastron SDM 230 Modbus Eastron SDM 630 Modbus Eastron Smart X96 Modbus B+G E-Tech DS100 Serie Modbus abbreviation index